TLS-05C高精度激光測距位移傳感器(5米量程)
- ●:TLS激光測距傳感器可在5米范圍內檢測垂直或傾斜的目標,不受顏色、材料或光澤度影響。
- ●:越限繼電器輸出,支持NPN/PNP;電壓、電流模擬輸出;RS485輸出
- ●:優異的范圍、重復精度和準確度組合可實現高度可靠的目標檢測和精確的距離測量
- ●:OLED顯示屏和按鈕編程,易于安裝、故障排除和實時距離測量
- ●:耐用的IP67外殼、高度抗環境光干擾和各種溫度下穩定的性能在有挑戰性的環境中提供可靠的性能
凱基特TLS激光測距傳感器可在5米范圍內檢測垂直或傾斜的目標,不受顏色、材料或光澤度影響。
?越限繼電器輸出,支持NPN/PNP;電壓、電流模擬輸出;RS485輸出
?優異的范圍、重復精度和準確度組合可實現高度可靠的目標檢測和精確的距離測量
?OLED顯示屏和按鈕編程,易于安裝、故障排除和實時距離測量
?耐用的IP67外殼、高度抗環境光干擾和各種溫度下穩定的性能在有挑戰性的環境中提供可靠的性能

電子參數
| 供電電壓 UV | DC 10V...30V |
| 殘余紋波 | ≤ 5 V |
| 功耗 | ≤ 2.1W 4) |
| 初始化時間 | ≤ 250ms |
| 預熱時間 | ≤ 10s |
| 外殼材料 | 鋁合金(AL) 有機玻璃(PMMA) |
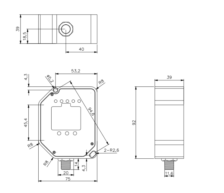
| 連接類型 | M12防水接頭,引線 |
| 顯示器 | OLED顯示屏 |
| 重量 | 360g |
| 外殼防護等級 | IP67 |
| 防護等級 | III |
1) 極限值,反極性保護在具備短路保護的 電路中運行時:適合大 8 A.
2) 對于 TLS-xxxx:UV > 15 V.
3) 不得低于或超出 UV公差.
4) 無負荷.
性能參數
| 測量范圍 | 0-5M ,0-10M,0-15M ,0-20M,0-30M ,50M,80M,100M,150M,200M |
| 測量物體 | 自然物體 |
| 分辨率 | 5-10mm |
| 精度 | 精度1.5 mm+d 0.5‰ |
√ 量程可設置,適合大30米
√ 數碼管實時顯示測量結果
√ LED狀態顯示
√ 電壓模擬輸出
√ 越限繼電器輸出(支持NPN/PNP)
√ 測量距離矯正
√ 基本參數設定
√ RS485接口,支持Modbu s RTU協議.
| 頻率 | 200Hz,100Hz,50Hz |
| 輸出時間 | ≥ 4 ms 6) |
| 光源 | 紅色激光 |
| 激光等級 | CLASS-|| |
| 典型光電尺寸距離() | 15 mm x 15 mm (10 m) |
| 其他功能 | 可設置的滑動平均值:快/慢, 切換模式:距離對象 (DtO), 可示教、參數化和反轉的數字輸出, 可調節滯后現象, 示教式、可參數設置、可逆式模擬輸出端, 多功能輸入:激光關閉/外部示教/禁用, 關閉顯示屏, 恢復出廠設置, 鎖定用戶操作界面 |
| 平均激光使用壽命(25℃ 時) | 100,000 h |
1) 對應于 1 σ.
2) 6% ... 90% 反射率.
3) 取決于設置的平均值形成方式:快/慢.
4) 90% 反射率.
5) 將物體從側面引入測量范圍.
6) 持續在測量范圍內更改至物體的距離.
7) 波長:658 nm;
8)適合大功率:120 mW;
9)脈沖持續時間:2.5 ns;接觸率:1/400.
接口參數
| 數字輸出 | ||
| 數量 | 1 1) 2) 3) | |
| 類型<, /SPAN> | PNP,NPN可選擇 | |
| 適合大輸出電流IA | ≤100 mA | |
| 模擬輸出端 | ||
| 數量 | 1 | |
| 類型 | 電壓/電流輸出可選 | |
| 電壓/電流 | 0V-10V/4mA-20mA,≤300Ω | |
| 分辨率 | 12bit | |
| 多功能輸入(MF) | 1 x3) 4) | |
| 滯后 | 10mm...1000mm |





